
MIL-V-29592/1(AS)
4 JANUARY 1993
MILITARY SPECIFICATION SHEET
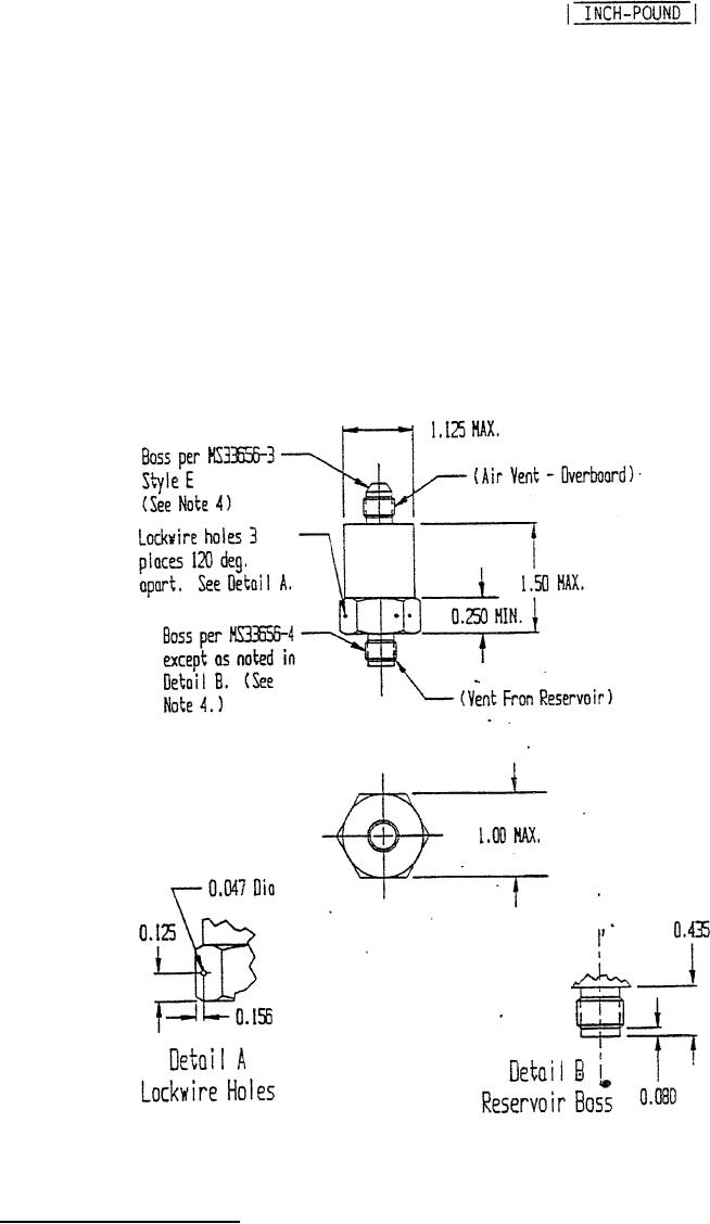
VALVE, AIR VENT, AUTOMATIC, LOW PRESSURE, MANIFOLD MOUNT
This specification sheet is approved for use by the Naval Air Systems
Command, Department of the Navy, and is available for use by all Departments
and Agencies of the Department of Defense.
The requirements for acquiring the product described herein shall consist of
this specification sheet and the issue of the following specification listed
in that issue of the Department of Defense Index of Specifications and
Standards (DODISS) specified in the solicitation: MIL-V-29592(AS).
1650
AMSC N/A
DISTRIBUTION STATEMENT A. Approved for public 2014-09-30T03:19Z
31p1" style="font-size:13px">release; distribution is unlimited.
1 of 3